|
Ürün ayrıntıları:
|
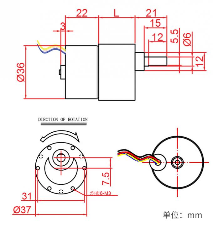
| Ürün Adı: | JGB37-3625 | Uygulama: | Robot |
|---|---|---|---|
| Motor tipi: | DC fırçasız azaltma motoru | Anahtar kelimeler: | Fırçasız redüksiyon motoru |
| İsimlendirilmiş voltaj: | 12/24V | Sertifika: | CE ROHS |
| Güç: | 4W | Boyut: | 37mm |
| Çıkış mili çapı: | 6 mm ((D-eksen) | Gürültü: | Düşük gürültü |
| JGB37-520 Mikro DC Dişli Motor Açıklaması: |
Şimdi, manyetik enkoderli bu 37mm dc dişli motorumuzu alabilirsiniz (JGB37-520B), ve diğer ilgili 37mm dişli kutulu motorlar aşağıdaki gibidir:
| JGB37-520B | JGB37-3530 | JGB37-3157 | JGB37-3625 |
| JGB37-3650 | JGB37-545 | JGB37-550 | ZGA37-3530 |





İlgili kişi: Mrs. Maggie
Tel: 15818723921
Faks: 86--29880839